安森美车载充电机(OBC)系统方案设计指南
车载充电机的功率级(PFC,DC-DC)根据电动汽车电池组的电压使用不同的功率元件。下图适用于400V的电动汽车电池架构,所需的功率开关器件额定电压可达650V。由于大电流和电压瞬变的存在,需要留有一定的电压裕量。
安森美(onsemi)官网的交互式框图还展示了800V电动汽车电池架构的方案,该方案采用额定值高达1200V的功率分立器件和汽车电源模块。
该框图还包含了隔离栅极驱动器、辅助电源以及各种控制器。信号测量和调节可以通过运算放大器(OpAmps)、电流检测放大器(CSA)和温度检测来实现。CAN和LIN收发器可确保在车载网络内进行快速可靠的通信。为了支持MCU正常运行,ESD保护器件具有快速瞬态箝位能力和低电容,可保护关键信号的完整性。
EliteSiC MOSFET如何提升车载充电机性能
EliteSiC MOSFET如何提升车载充电机性能随着电动汽车车载充电机(OBC)设计迅速向更大功率和更高开关频率方向发展,该应用对碳化硅(SiC)MOSFET的需求也在不断增长。EliteSiC是安森美碳化硅技术的商标名称。由于EliteSiC MOSFET具有优异的开关性能和较小的反向恢复特性,设计人员正在采用基于该器件的无桥PFC拓扑结构。1200V的 EliteSiC MOSFET被广泛应用于800V电池架构的汽车系统中。
• 平面型设计确保了器件在其使用寿命内不会出现R
DS(ON)、V
GS(TH)或体二极管压降的漂移,而且它们可以在负栅极驱动电压下工作。
• 这些MOSFET的建议导通栅极电压为18 V,但仍可在低至15 V的电压下工作,从而与为上一代SiC MOSFET设计的栅极驱动电路保持兼容。
安森美M3S是第二代1200V EliteSiC MOSFET。其重点在于提升开关性能的同时降低比导通电阻(RSP)。M3S在导通损耗与开关损耗之间实现了出色的平衡,使其非常适合PFC等硬开关应用。此外,M3S的低RDS(ON)使其在软开关应用(例如LLC、CLLC、移相全桥)中也具有很强的竞争力,在这些拓扑结构中,开关损耗通过电路设计被显著降低,从而使导通损耗成为主要的损耗来源。M1与M3S两代碳化硅MOSFET的深入对比分析可在安森美应用笔记 AND90204 中找到。
与第一代M1相比,M3S所需的总栅极电荷QG(TOT)更低,这显著减少了栅极驱动器的灌电流和拉电流,如下图所示。与前一代M1相比,M3S进一步将RDS(ON) * QG(TOT) 的品质因数(FOM)降低了44%。

总栅极电荷Q
G(TOT)[nC] @800V / 40A,由恒定10mA驱动
如下图所示,在给定条件下,M3S的开关性能得到了进一步提升,其关断损耗(EOFF)降低了40%,导通损耗(EON)降低了20%-30%,总开关损耗降低了34%。在高开关频率应用中,这种性能提升将抵消M3S可能存在的较高RDS(ON)带来的任何劣势。

漏极电流ID的开关损耗[A] @ V
DS = 800V, V
GS = -3V / 18V,R
G = 4.7 mΩ
高压应用中使用SiC MOSFET的隔离栅极驱动器
随着SiC MOSFET在汽车电力电子应用中的使用日益增多,有必要使用专用驱动器。隔离栅极驱动器通过对MOSFET和IGBT进行可靠控制,可满足SiC技术所要求的最高开关速度和系统尺寸限制。优化栅极驱动电压以提高开关速度,从而最大限度地降低开关损耗并充分利用功率开关器件,这一点至关重要。
与Si MOSFET相比,SiC MOSFET面临的挑战在于栅极阈值电压的控制。与硅器件相比,SiC MOSFET在推荐栅极驱动电压下对栅极电压的依赖性更大。SiC MOSFET需要较高的正栅极驱动电压(+20V),根据应用情况,还需要-2V至-6V范围内的负关断栅极电压,因为SiC MOSFET具有较低的VGS阈值,可能导致SiC MOSFET意外导通。为高效驱动SiC MOSFET,请参考安森美在应用笔记AND90063/D中关于使用隔离型栅极驱动器的相关指南。
安森美为SiC MOSFET和Si功率MOSFET提供多种隔离栅极驱动器以及IGBT栅极驱动器。电隔离元件路线图将通过新功能进一步改善传播延迟和更高的共模瞬态抗扰度(CMTI)。广泛的栅极驱动器评估板组合可助力快速原型开发。
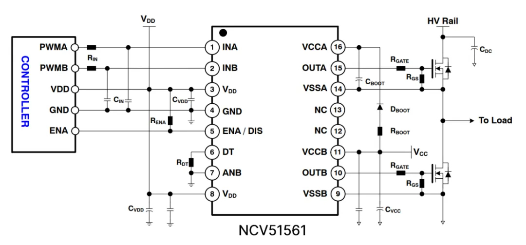
NCV51561和NCV51563隔离双通道栅极驱动器
NCV51561和NCV51563是具有4.5A/9A灌/拉峰值电流的隔离双通道栅极驱动器,专为驱动Si和SiC功率MOSFET设计。它们提供短且匹配的传播延迟。可以尝试使用NCV51561评估板来测试您的隔离型栅极驱动器应用。
• NCV51561或NCV51563可用于多种配置,包括两个低压侧、两个高压侧开关,或作为带可编程死区时间的半桥驱动器
• 典型传播延迟为36ns,最大延迟匹配为5ns,具备独立的欠压锁定(UVLO)保护功能
• 支持通过ANB引脚选择单输入或双输入模式,5kV的电隔离允许峰值电压高达1500(1850)V
DC
• CMTI≥200kV/μs,采用SOIC-16WB封装,8毫米爬电距离

NCV51561或NCV51563的典型应用电路

NCV51561的SOIC-16 封装内部结构