AI数据中心高压中间母线拓扑选型:堆叠式/ 单相/ 三相 LLC性能对比
本白皮书将重点围绕实现上述目标的转换器拓扑结构与半导体技术展开探讨。 内容主要聚焦于原边的拓扑选择与半导体器件;副边假定采用低压硅基 MOSFET , 并配置为中心抽头电流倍增器或全桥结构。第一篇已经介绍了👉高压IBC中的半导体技术、器件的关键评估指标包括导通损耗、 开关特性与缓冲电路等。本文将介绍转换器拓扑、系统规格、转换器损耗等。
转换器拓扑
谐振式转换器拓扑具有超高的功率密度, 但代价是在宽输入或输出电压范围内效率降低。 由于高压 IBC具有固定的输入输出电压比以及对超高功率密度的需求, 因此谐振拓扑非常适合此类应用。
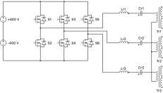
谐振拓扑存在多种方案, 本研究将对其中的三种进行探讨,如图1所示。 图1a展示了一种堆叠式LLC 转换器(sC) , 其主要优势在于可采用650 V级别的开关器件实现高压IBC。 图1b所示为单相LLC 转换器( 1pC ) , 其原边使用的器件数量最少。 图1c展示了一种三相LLC 转换器( 3pC ) , 它得益于三相拓扑固有的更低RMS 电流和电压纹波, 可缩小元器件的尺寸。
a)sC的原边
b) 1pC 的原边
c)3pC 的原边
图1.本研究中探讨的三种转换器拓扑原边电路
系统规格
本研究基于仿真结果对三种拓扑结构及半导体技术进行对比分析。 仿真采用PLECS 软件平台, 基于安森美针对CJFET和SiC MOSFET 的ElitePower 仿真工具, 以及通用横向GaN模型。 表1列出了本次仿真所用的高压IBC规格参数。
表1.本次分析中使用的高压IBC规格参数
采用sC和1pC 的高压IBC系统将拆分为两个转换器 , 各承担一半标称功率(每台6kW ) 。 此举旨在将原边RMS 电流降至可控水平(详见转换器物料清单章节) 。 3pC 方案将通过一台12kW 转换器实现。
转换器损耗三种拓扑结构的损耗如图2所示。

图2.采用不同原边开关器件的 sC系统损耗
sC与1pC 的损耗特性较为相似。 两者均在约50% 标称功率处出现损耗的跃升。 这是因为在该功率点, 构成12 kW 系统的两个变换器单元中的第二个转换单元投入运行, 导致磁芯损耗和栅极电荷辅助损耗翻倍。 而3pC 的损耗随功率增加上升较为平缓, 这得益于三相拓扑本身所具有的更低RMS 电流特性。 然而, 在低功率条件下, 由于所有变压器和副边开关器件持续运行, 其损耗相较于sC和1pC 更高。 这一特性亦可从图3所示的损耗细分中得到印证。

图3.研究的三种拓扑结构系统损耗分解。上图显示3 kW 时的损耗,下图显示 12 kW 时的损耗。
转换器物料清单 ( BOM )
采用前述三种拓扑结构的12 kW 转换器系统的物料清单如表2所示。
尽管1pC 所需的原边器件数量最少, 但整体器件总数最少的方案却是3pC 。 这得益于三相拓扑固有的较低RMS 电流特性, 不仅减少了副边器件数量, 也简化了变压器设计。
sC每个转换单元使用两个矩阵式变压器, 整个12 kW 系统共需四个变压器。 每个变压器包含八个基本变压器单元, 总计达32个单元。 而1pC 的配置则不同:每个转换器仅需一个变压器, 但由于其所需变压比高于 sC, 该变压器的单元数量需翻倍。
而3pC 仅需三个变压器, 每个包含八个基本单元, 是三种方案中基本变压器单元数量最少的。
此外, 在输出电容需求方面, 3pC 也具有明显优势。 相比之下, 1pC 所需的电容尺寸过大, 几乎无法满足合理设计的要求。
表2. 12KW 转换器系统物料清单
结语
本研究探讨的三种半导体技术 ( GaN HEMT 、 SiC MOSFET 、 SiC CJFET ) 在高压IBC应用中表现几乎一致 。由于谐振拓扑的软开关特性, 它们的开关损耗差异影响甚微。通过合理选择励磁电感, 可规避其寄生电容差异带来的影响。
最后, 各技术间的损耗差异微乎其微, 因此成本将成为关键决策因素。 CJFET 凭借简化的器件结构实现高效制造工艺,在成本效益方面显著优于其他技术。
相较于sC和1pC , 3pC 凭借其更低的RMS 电流具有显著优势, 减少了物料清单中的元件数量(特别是副边开关器件和变压器组件) 。 这些优势可在转换器设计中灵活利用 ——既可用于提升功率密度, 也可通过增大单个器件尺寸(例如采用更大的变压器磁芯以降低峰值磁通密度, 从而减少磁芯损耗) 来进一步优化性能。
上述仿真结果将通过安森美正在开发的高压 IBC硬件实测数据进行验证。